|
Stand 02.04.2026 Schaltungen für Audio und fürs Auto
|
| näherungsweise bei
hochohmiger Belastung :
Ua=Ue*R2/(R1+R2) |
mit bekanntem
Eingangswiderstand Ri der nachfolgenden Endstufe
:
Ua=Ue*Z/(R1+Z) |
Gibt es Einstreuungen und Störungen, muss der Kondensator
vergrößert und beide Widerstände verkleinert werden. (z.B.
10 µF Elko bei 860 Ohm, 330 Ohm) Der Pluspol des Elkos
muss dann zur Plusklemme des Radioausgangs zeigen.
Der negative Lautsprecher-Ausgang wird nur entkoppelt über
R3 auf Masse gezogen, um den Ausgang abzuschließen. Man
kann diesen Zweig aber auch weglassen.
Prinzip bedingt ist die Qualität über einen Adapter am Radioendstufenausgang immer schlechter als bei einem richtigen Vorverstärkerausgang.
Für Stereo ist das ganze natürlich doppelt aufzubauen.
Für einfache Endstufen (keine Brücke) wird generell der
untere Teil weggelassen, so kann es auch für
Home-HiFi-Anwendungen benutzt werden.
Tipp 1: Um Störungen zu reduzieren, ist es auch
möglich und sogar empfehlenswert, den Spannungsteiler erst
kurz vor der Endstufe anzubringen oder wegzulassen und
über das Cinch-Kabel die höhere Spannung zu führen. Die
Endstufe muss aber die höheren Eingangsspannungen, die
auch von einigen teureren Radios erzeugt werden (z.B.
2...6 V), vertragen, dann ist nur ein Kondensator
dazwischen schalten. Vorteil bei diesen hohen Spannungen
ist die bessere Störsicherheit und größeren
Geräuschspannungsabstände.
Tipp 2: Da schon einige Mails dazu kamen: Stimmt
der Pegel an der Endstufe nicht, kann statt der beiden
Widerstände ein Tandem-Poti (z.B. 10 kOhm) eingesetzt
werden, linker Anschluss an Masse, rechts an den
Kondensator und der Schleifer (Mitte) ist dann der
Ausgang. Hiermit lässt sich die Ausgangsspannung genau an
die Endstufe anpassen.
Tipp 3: Bei alten Radios ist evtl. ein relativ
niederohmiger Lastwiderstand (teilweise bis 25 Ohm) als
Lautsprecherersatz notwendig.

Hier eine einfache Schaltung zum Reduzieren von
Audiopegeln. Links für unsymmetrische (Cinch oder
Monoklinke) und rechts für symmetrische (XLR,
Stereoklinke) Signale. Als Widerstände können
1/4-Watt-Typen eingesetzt werden, selbst bis +20 dBu
Eingangspegel passt das. Ich versuchte die Widerstände
aufgrund von externen Einflüssen nicht zu groß werden zu
lassen. Der Eingangswiderstand sollte aber auch immer
größer 15 kOhm sein, um hier bei angenommenen
600-Ohm-Ausgangswiderstand der vorherigen Stufe quasi
keine relevante, zusätzliche Dämpfung zu erhalten.
Um keine Störungen zu bekommen, müssen die Widerstände in
einem Metallstecker oder -Gehäuse verbaut sein.
Hier sind die Werte für typische Anwendungen, z.B. -4 dB
um Mixer-Outputs wieder auf 0 dBu zu bringen... Als
Empfehlung sind alle Widerstände mit 1 % auszuwählen.
Der Eingangswiderstand berechnet sich aus Rin=R1+R2 bzw.
für symmetrische Signale aus Rin=R3+R4+R5.
Die Dämpfung errechnet sich zu D1= 20*lg(R2/(R1+R2)) für
unsymmetrische bzw. D2= 20*lg(R5/(R3+R4+R5)) für die
symmetrische Variante.
| Dämpfung |
R1 |
R2 |
R3/R4 |
R5 |
| 3 dB |
8,2 k |
20 k |
3,3 k |
16 k |
| 4 dB |
9,1 k |
15 k |
5,1 k |
18 k |
| 6 dB |
10 k |
10 k |
5,1 k |
10 k |
| 10 dB |
12 k |
5,6 k |
8,2 k |
7,5 k |
| 12 dB |
13 k |
4,3 k |
10 k |
6,8 k |
| 14 dB |
12 k |
3 k |
6,8 k |
3,3 k |
| 20 dB |
18 k |
2 k |
8,2 k |
1,8 k |
| 24 dB |
30 k |
2 k |
7,5 k |
1 k |
| 30 dB |
68 k |
2,2 k |
15 k |
1 k |
| 40 dB |
43 k |
430 R |
18 k |
360 R |
Für den HiFi-, PA- und Studiobereich haben sich mehrere
Pegel als Quasi-Standard etabliert.
Denn die 0-dB-Anzeige (LED) sagt oft nichts über den
wirklichen Pegel (Spannung) am Ausgang aus.
Die Bezeichnung 0 dBr bezieht sich dann wieder auf die
jeweilige Referenz also z.B. 0 dBr = +4 dBu (muss aber
nicht!)
Insbesondere, wenn es aus dem Mischpult-Master in
Effektgeräte hinein geht, muss man genau schauen, ob das
passt.
Bei mir akzeptierte der EQ z.B. nur maximal 11 dBu als
Eingangsspannung bei einer Referenz von 0 dBu.
Da es eine Frage zum symmetrischen Dämpfungsglied gab:
Prinzipiell kann man die Widerstände auch durch ein
Tandem-Poti ersetzen. Aber bei der Versorgung von
Mikrofonen mit Phantomspeisung könnte es hier je nach
Mikro immer Probleme geben, da die Spannung reduziert
wird. Ist die Toleranz der Längswiderstände zwischen
beiden Adern zu groß, ist es möglich, dass ein zu hoher
DC-Offset auf die Signalleitungen kommt, der im schlimsten
Fall Teile des Mikros beschädigt. Eventell setzt man hier
eher nur für R5 ein Poti ein. Dann ändert sich war der
Abschlusswiderstand etwas, das ist aber egal.
Im BassCADe-Einheitenumrechner
ist ab Version 3.4.2 ein solcher Pegelumrechner enthalten.
Im Modul Widerstände können die unsymmetrischen
Spannungsteiler auch berechnet werden.

Radio-Stummschaltung für Nachrüst-Navis:
Vielen setzen sich ein mobiles Navi (tomtom etc.) ins
Auto, eine Stummschaltung des Radios bei Ansagen existiert
dabei meist nicht. Die nachfolgende Schaltung reagiert auf
das analoge Audiosignal und schaltet beim Vorhandensein
desselben das Radio stumm. Über die obige Schaltung
(Mixer) ließe sich dann auch der Navi-Ausgang mit der
Endstufe verbinden.

Schaltungsbeschreibung:
R1/C1 (Tiefpass) und C2/R2 (Hochpass) stellen einen
Bandpass dar, der nur Frequenzen im Sprachbereich hindurch
lässt. Dieses Signal wird dann mit IC1a verstärkt (V
einstellbar über R6 bis etwa 30 dB) entkoppelt und
gleichgerichtet (D2, D3) Diese Spannung lädt den
Kondensator C7 schnell (Peak detection < 1 ms) auf. C7
wird darauf nur langsam über R8 entladen. Mit R9 und D4
wird eine ca. 0,8-V-Spannung als Schwelle erzeugt. Ist die
Analogspannung größer, schaltet IC1b (Komperator) durch,
worauf der Transistor T1 durchsteuert. Er agiert als
Stromsenke. Wird der Strom über ihn zu groß, begrenzt er
ihn. (Aber Achtung, Verlustleistung beachten)
Diese Schaltung muss über den Schaltplus (Kl.15) im
Fahrzeug versorgt werden.
Bauteilwerte:
D1, D3, D4, D6, D7: Standarddiode z.B. 1N4148 (U=100 V,
I=0,5 A)
D2: ZD6V8 ... ZD8V2
D5: ZD24V (1/2 W)
C1, C8: 10 nF
C2: 33 nF (für fgu= 50 Hz) ... 100 nF (für fgu=16 Hz) in
Abhängigkeit von R2
C3: 10 uF / 35 V
C4: Kapazität ideal genauso groß wie C7, Spannung >=25
V, ungepolter Kondensator (Folie, MLCC), Bipolarelko oder
zwei gepolte Elkos in Reihe mit - an -
C5: 100 uF / 35 V
C6: 100 nF
C7: 10 uF (probieren im Zusammenhang mit R8 Abschaltzeit)
C8: 100 nF
IC1: Dual-OP: z.B. LM2904 (bei anderen Pinbelegung prüfen)
R1: 470 R (für fgo=34 kHz) ... 1 kOhm (für fgo= 16 kHz) in
Abhängigkeit von C1
R2, R3: 100 kOhm
R8: 100 kOhm ... 1 MOhm am besten Poti oder Einstellregler
mit mindestens 10 kOhm Widerstand in Reihe
R4: 10 Ohm
R7: 10...100 Ohm (1/2 W) je nach OP-Ausgangsstrom
R5, R9: 2,2 kOhm (1/8 W)
R6: 100 kOhm
R10: 1 kOhm (abhängig von T1)
R11: 10 Ohm 1/2 W (je nach Strom, hier ca. 50 mA)
T1: Standard-NPN-Transistor BCxyz (U>60 V, Ic>500
mA, hfe>30, P>0,5 W)
Generierung von Power-Kl. 15 oder remote-out:
Um zahlreiche Endstufen (größer 10) an einen
remote-Ausgang (zum Aktivieren der Endstufen)
anzuschließen, genügt bei einigen Radios der remote-out
nicht mehr, da er manchmal nur 100...300 mA treiben kann.
Auch andere nachträglich verbaute Steuergeräte
(Mobile-Navis, Freisprecheinrichtungen,
Handy-Ladestationen etc.) kann man so mit einem zusätzlich
generierten Schaltplus versorgen. Als Steuersignal wird
die Klemme 15, Klemme 87 oder der remote-Ausgang des
Radios benutzt. (Auto-ANTennen-Ausgang kann bei einigen
Radios Probleme machen, da er nur aktiv ist, wenn das
Tunerteil und nicht der CD-Player läuft. Dazu kann die
folgende Schaltung verwendet werden. Statt eines Relais
wird hier ein intelligenter High-Side-Switch verwendet.
Bei einer genügend hohen Spannung am Eingang schaltet er
die Spannung vom Dauerplus durch. (typ.
Versorgungsspannungsbereich 6...20 V) Um den Aufbau sehr
einfach zu machen, werden hier in der oberen Schaltung
(mit IC1) nur bedrahtete Exemplare mit high-aktivem
Eingang benutzt. Als Steuersignal werden nur wenige
Milli-Ampere (1...15 mA) gezogen, hinten kann man Geräte
mit mehreren Ampere (siehe Tabelle) versorgen. Für etwas
größere Ströme ist ein Kühlkörper (größere Leiterplatte
für den SMD-Typ etc.) nötig. Auch ein Switch mit kleinerem
RDSon hilft, diese benötigen aber etwas mehr Kleinteile
wie in der unteren Abildung zu sehen. Diese Switches
erwarten eine open-Drain-Ansteuerung. Dafür brauchen sie
oft keinen Masseanschluss. Die erste Anlaufstelle hierfür
sind die ProFETs (BTSxyz) von Infineon, aber auch andere
Halbleiterhersteller bieten hier niederohmige Alternativen
(2...10 mOhm) Vorsichtig mit dem Potenzial der Pins oder
an der Kühlfahne (Pad), das nicht an die Fahrzeugmasse
kommen darf.
Auch muss das hinten angeschlossene Gerät einen
Verpolschutz haben, da diese Schaltung bei Verpolung
durchschaltet.
IC1/IC2, siehe Tabelle unten, bei für alle Widerstände
passen Werte von je 4,7...22 kOhm. Für die jeweilige
Pinbelegung in das Datenblatt des Halbleiters schauen.
Diese sind in der Tabelle direkt verlinkt.
Im ausgeschalteten Zustand fließen nur wenige MikroAmpere
und entladen so die Batterie nicht.


| max. Dauerstrom |
Typ |
Gehäuse |
typ. Rdson |
| 3,5 A |
Infineon
BTS640S2
(IC1) |
TO220 / TO263 | 30 |
| 4,5 A |
Infineon
BTS441
(IC1) |
TO220 / TO263 |
20 |
| 3,3 A |
IR IPS6031
(IC1) |
TO220 / TO263 / DPak | 60 |
| 4,5 A |
IR IPS6021
(IC1) |
TO220 / TO263 / DPak | 30 |
| 6,6 A |
IR IPS6011
(IC1) |
TO220 / TO263 / DPak | 14 |
| 11A |
Infineon BTS650 (IC2) |
TO220 /TO263 / DPak |
8 |
| 20 A |
Infineon BTS550 (IC2) | TO218/AB-5 | 5 |
| 25 A |
Infineon BTS555 (IC2) |
TO218/AB-5 |
3 |
...
Einfache Generierung eines Schaltplus-Signals vom
Radio-CAN:
(Falls man nirgendwo sonst den Schaltplus her bekommt..)
In vielen neuen Fahrzeugen liegt am Radio kein Schaltplus
(Kl. 15 oder Kl. 87) mehr an, nur der Dauerplus (Kl.30).
Die Information zum Status der Kl. 15 liegt dann auf dem
CAN, der bei Einstecken des Schlüssels (evtl. auch früher
oder später) geweckt wird.
Normalerweise ist es nötig über einen CAN-Transceiver und
einen Mikrocontroller das Signal "herauszufiltern". Doch
leider unterscheiden sich hier die CAN-Matrizen von
verschiedenen Fahrzeugen, so dass es keine allg. Version
geben würde. Das sehr aufwändig und kompliziert. Man
könnte nun auch ohne solche Infos auf einfache
Bus-Aktivität schauen.
In vielen Fällen sollte folgende Schaltung ebenfalls zufriedenstellend funktionieren.

Bestückung:
Die Widerstände R1 und R2 (jeweils 62 Ohm, 1/4 W) nur
benutzen, wenn im Radio zuvor eine CAN-Terminierung war,
diese nun aber fehlt. (z.B. durch Radiowechsel)
(120 Ohm sind eigentlich Standard beim CAN, es sind 2
Widerstände aus Verlustleistungsgründen.)
Sonst muss man die beiden (R1 und R2) weglassen.
Teilweise werden auch hochohmige Terminierungen (z.B.
4,7 kOhm) verwendet. Da es eine zentrale Terminierung
gibt, unbedingt prüfen. Hier kann man evtl. am
Originalradio nachmessen und diesen Wert benutzen.
R3, R4, R7, R8 = 47 kOhm. R6>1 MOhm, R5, R10 =4,7 kOhm,
R9= 10...100 Ohm,
C1 je nach Zeit 1 uF (Folie), C2= 10 nF (U>60 V)
D1, D3 ist eine Standard-Diode >200 V (kein
Schottky-Typ), D2, D4 Z-Diode ZD32V
T1 npn-Darlington-Transistor (z.B. BC618, BCX38B/C, BST51)
mit Uce>60V und hfe>3000.
T2 vorzugsweise pnp-Darlington-Transistor, ein normaler
Standard-Transistor mit hoher Stromverstärkung (>100)
tut es auch.
T3 Standard-npn-Transistor (z.B. BC547...)
T4 ProFET von Infineon: je nach Strom sind auch andere
low-aktiven high-side-switches möglich...
BTS555 bis 25 A (in Pin 2 / out Pin 1,5 / is Pin 4 / Vb
Pin 3 und Kühlfahne, Tab)
BTS550P bis 20 A (in Pin 2 / out Pin 1,5 / is Pin 4 / Vb
Pin 3 und Kühlfahne, Tab)
BTS650P bis 11 A (in Pin 3 / out Pin 1,2,6,7 / is Pin 5 /
Vb Pin 4 und Kühlfahne, Tab)
Für Switches gilt folgende Beziehung (SQRT =
Quadratwurzel)
Ipermmax = SQRT ( (Tmaxj-Tamb) / (Rdson * Rth) ) = SQRT
(40 K / (5 mOhm*10 K/W) )
Ipermmax... permanenter Maximalstrom
Tmaxj... Maximale Sperrschichttemperatur in °C meist bei
150°C (üblich 125...200°C)
Tamb... maximale Umgebungstemperatur in °C
(Innenraumanwendungen üblich 85°C)
Rdsonmax... maximaler Einschaltwiderstand des FETs bei
Tmax (z.B. 5 Milliohm bei 150°C)
Rth... thermischer Widerstand in K/W (Kelvin pro Watt)
abhängig vom FET-Gehäuse und Befestigung etc.
Schaltungsbeschreibung:
Wacht der CAN auf oder sendet er, dann liegt beim
High-Speed-CAN (inkl. CAN-FD) ständig ein Pegel > 2 V
am CAN-High an. Beim kaum verwendeten low-Speed-CAN liegt
das Signal zyklisch bei Aktivität bei > 3,5 V.
Das wird benutzt, um T1 durchzuschalten, der dann C1
auflädt. Nach dessen kurzer Entprellzeit (wenige
Millisekunden) wird auch T2 leitend und schaltet T3 und
damit auch T4 durch. Sinkt das Eingangssignal wieder unter
1,1...1,7 V beginnt sich C1 über R7 und R6 zu entladen,
diese Zeit ist deutlich größer als die Einschaltzeit und
es beginnt der Nachlauf, der je nach C1 und den
Widerständen R6, R7, einige Hundert Millisekunden lang
sein kann. Mit einem Elko an C1 (anstatt einer kleinen
Folie) lassen sich hier auch Nachläufe bis zu einigen
Sekunden erreichen.
D2 und D4 sind zum Schutz vor Überspannungen, D3 ist der
Verpolschutz für die Schaltung.
Für den High-Side-Switch muss man beim jeweiligen Typ
nach der Belegung sehen. Üblicherweise sind die äußeren
Pins als Ausgang zusammen zu schalten.
Die Versorgung geschieht über das mittlere Pin und die
Kühlfahne (Tab).

Der "Clou" daran ist, dass das analoge NF-Signal nicht
mehr gegen Masse "abgenommen" wird, sondern eine
Differenzeingangsstufe die Spannung zwischen HOT (+ 2) und
COLD (- 3) unabhängig vom Massepotenzial und deren
Störungen einliest. Meist auftretende Störungen sind dann
in beiden Leitungen gleichermaßen enthalten und löschen
sich durch die Differenzbildung aus. Oft wird die
virtuelle Masse bei der Symmetrierung auch weggelassen,
also Mittelanzapfung entfällt dann, Pin1 ist dann frei.
Der zu benutzende passive NF-Übertrager muss ein
Windungsverhältnis von etwa 10:1 haben, bei ca. 50 kOhm
Eingangswiderstand und 500 Ohm Ausgangswiderstand (Faktor
100 = Quadrat des Windungsverhältnisses). Die Spannung am
Ausgang beträgt dann nur 1/10, also -20 dB . Über 20 kOhm
Eingangswiderstand sind nötig um auch mittelohmige
Gitarren(effekt-)ausgänge benutzen zu können. Die <800
Ohm Ausgangsimpedanz werden für längere Kabel benötigt,
ohne bei 30...50 m den Frequenzgang (obere Grenzfreqenz)
zu weit zu verkleinern.
Typische Mikrofon- oder Muticore-Kabelkapazitäten liegen
zwischen 50 und 200 pF pro Meter.
Ich nehme als relative Kabelkapazität Crel=C(Ader-Ader)
+1/2 C(Ader-Schirm) also z.B. 90 pF/m + 0,5*170 pF/m=175
pF/m
fg=1000000000/(2*pi*Ri*Crel*l) [kHz]
Ri in Ohm, Crel in pF, l in m.
also mit 175 pF, 50 m, 600 Ohm ergeben sich 30,3 kHz.
Man sieht das ist schon fast die Grenze, viel länger geht
es auf analogem Weg mit normalem Kabel nicht, oder die
Ausgangswiderstände aller Quellen (Mikrofone...) müssen
noch kleiner z.B. 50...200 Ohm sein.
Es gibt passive und aktive DI-Boxen, beide haben ihre
Vor- und Nachteile:
Vorteile passiv:
Vorteile aktiv:
Balanced Mono-Maker
Um für das PA-Equipment neben den beiden
Stereo-Frontkanälen auch parallel für einen Center nutzen
zu können, brauchte ich eine Mono-Preamp-Box. Einfache
Widerstände verschlechtern die Kanaltrennung am den
parallel abgenommenen Stereosignal, daher musste eine
Aktivlösung her.
Anforderungen:
Schaltung:
![]() * siehe unten |
Stückliste: Bu1.. Bu3: TRS 6,3 mm (isolierte Kunststoffausführung, z.B. Reichelt) Bu4: USB-A-Stecker am Kabel C1: 47 uF / 10 V C2, C3: 1 uF / 25 V (1210) C4, C5: 47 uF / 25 V C6: 100 uF/ 50 V C7 ff 100 nF / 50 V (0805) DC-DC-Modul: AM2D 0512DZ (Reichelt) IC1, IC2, IC3: LM2904 (SO8) L1, L2: 100 µH / 100 mA R1, R2, R3, R4: 52 kOhm (0805) R5, R6, R7, R8: 10 kOhm (0805) R9, R10, R11, R12: 20 kOhm (0805) (ich nahm 10k) R13, R14: 10 kOhm (0805) (ich nahm 5,1k) R15, R16: 390 R (0805) unterstrichen sind THT-Komponenten (kein SMD) |
Schaltungsbeschreibung:
Als Eingang dienen zwei Stereo-Klinkenbuchsen, also
TRS-Jacks (6,3 mm) Die Spitze (Tip) ist für das
(nichtinvertierte) hot-Signal, der Ring ist für das
invertierte-Signal (cold). Der Schaft ist die
Signal-Masse. Als elektrischer Abschluss und
Eingangswiderstand dienen R1... R4. Ich nahm hier 52 kOhm,
aber auch 47...100 kOhm würden immer passen. Die
Widerstände R5...R8 sind zum Schutz (Strombegrenzung) der
ICs. Verwendet wird je ein LM2904-Dual-Standard-OP in
SMD-Bauweise (Bauform SO8). Die vier Eingangs-OP-Stufen
(IC1, IC2) arbeiten in nichtinvertierter Schaltung als
Impedanzwandler (Verstärkung=1 durch Verbindung des
Ausgangs mit dem invertierenden Eingang). So soll die
Eingang nicht belastet und entkoppelt werden. Dahinter
arbeiten zwei OPs (IC3) als Addierer (Summierer). Das
funktioniert so richtig leider nur in invertierter
Schaltung. Die Verstärkung wird durch das Verhältnis
R13/R9 bestimmt. Diese beträgt hier 50%, um den Gewinn,
der durch das Addieren zweier Signale entsteht, wieder zu
kompensieren. Also wenn L=R, dann hat das Ausgangssignal
genau den gleichen Pegel. Da ich trotz der Invertierung
keine weiteren OPs benutzen wollte, habe ich die Summe der
beiden "positiven" Eingänge auf den invertierten Ausgang
gelegt. Damit kommt die Summe der beiden invertierten
Eingänge auf den nichtinvertierten Ausgang. Im Signalzweig
ist keine Kapazität, so arbeitet die Schaltung auch mit
Gleichspannungen (0 Hz). Als zusätzlicher
Kurzschlussschutz dienen R15 und R16. Ein Innenwiderstand
von <600 Ohm ist ausreichend, um auch lange Bühnenkabel
von 30 m verwenden zu können.
Damit man die OPs so verwenden kann, ist eine symmetrische
Spannungsversorgung nötig. Für hohe Pegel (4...6 dBu mit
Reserve) muss die Versorgung genügend hoch sein: Das
Minimum hier sind 15 dBu. Das sind 4,36V (effektiv) und
bedeutet eine Aussteuerung von mindestens +- 6,2 V. Die
OPs können bis 1,5 V unterhalb der Versorgung ausgesteuert
werden. Die LM2904 vertragen maximal 32 V. Daher wählte
ich +-12 V anstatt der sonst üblichen +-15 V. Grund dafür
sind die großen Toleranzen (>1 V pro Ausgang) der
Ausgangsspannung des DC-DC-Wandlers AM2D 0512DZ. Als
einfachste Variante erschien mir hier ein
USB-Steckernetzteil, das 5 V mit mindestens 250 mA
bereitstellen kann. Ein DC-DC-Modul wandelt diese 5 V in
2x12 V um. Er kann Ströme von bis zu 84 mA pro Rail
bereitstellen. Um Störungen entgegenzuwirken, wurden hier
viele Elkos und ein Pi-Filter benutzt, um die Taktfrequenz
von typisch 85 kHz zu unterdrücken. Die kleinen Kerkos
(C7...C12) sind an jedem IC direkt gegen Masse geschaltet.
Für die Induktivitäten L1 und L2 nahm ich zwei alte
Ferritspulen, die 100 µH haben sollten und eigentlich zur
Entstörung von DC-Kleinmotoren gedacht waren. Auch an den
Eingang des DC-DC-Moduls kam ein Elko zur Stabilisierung,
damit der DC-DC immer gut arbeiten kann. Das Kabel mit dem
USB-A-Stecker nahm ich von einer alten Maus, da im Gehäuse
kein Platz für eine weitere Buchse war. 250 mA sollten die
üblichen Netzteile immer bringen. Einige benötigen dazu
eventuell eine Brücke zwischen den beiden Datenleitungen.
Mit dieser Netzteilauslegung sind Pegel bis zu 10,5 Vs (21
Vss = 7,42 Veff) möglich, das wären 19,6 dBu.
Leider war das gekaufte TEKO A1-Gehäuse (Reichelt) doch
etwas (38x72x28mm) klein, so dass nur 3 Klinkenbuchsen
hineinpassten, denn eigentlich wollte ich zwei
parallelgeschaltete Ausgänge haben. Nun müsste ein
externer Y-Adapter dafür herhalten, falls nötig. Durch den
kleinen Raum, ist der Aufbau mit SMD-Bauteilen auf
doppelseitiger Leiterplatte nötig. Nur die Buchsen, das
DC-DC-Modul, die Elkos und Spulen sind THT-Komponenten.
Auf den Bildern ist noch die Folie auf dem Gehäuse. Der
angeschraubte Alu-Winkel dient zur Befestigung am Case.
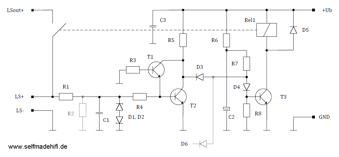
Lautsprecher-Gleichspannungsschutz (DC-Protection) die
Erste
Für einen externen Schutz nahm ich eine solche
Überwachung und packte sie mit in das Gehäuse der 4 LED-Leistungsanzeigen.
(zweite Variante oben mit silberner Front)
Ich habe vier solcher Einzelüberwachungen mit vier
getrennten Abschaltpfaden auf der Leiterplatte.
Schaltungsbeschreibung:
R1, C1 stellt einen sehr niederfrequenten Tiefpass dar, um
die Gleichspannung von den Wechselspannungen zu
separieren. Grenzfrequenz hier (fc=1/(2*PI*R*C, mit den
100k/10uF: 0,159 Hz. Hier muss der Spagat zwischen
Unterdrückung von Bassfrequenzen und minimaler Verzögerung
im Fehlerfall gemacht werden. Dieser Wert dämpft bei 20 Hz
um 42 dB. Das wären 0,4 V + 42 dB = 50 V. Das sind gut 300
W an 8 Ohm. Für die Erkennung einer 50-V-DC-Spannung
werden unter 20 ms benötigt. Bei größeren Spannungen geht
es noch schneller.
0,4.... 1 V sind aber schon sehr niedrig. Spannungen bis
3...4 V kann ein Bass-Lautsprecher vertragen, Hoch- und
Mitteltöner werden meist durch den passiven Hoch- bzw.
Bandpass geschützt, der Gleichspannungen sperrt. Ein
steiler Gradient im Moment des Verstärkerfehlers kann aber
trotzdem zerstörend sein.
Die beiden Z-Dioden schützen die Transistoren T1 und T2
(Durchbruch negative BE-Spannung bei >5V) und erlauben
nebenbei niedrigere Spannungswerte (MLCC / Kerko)
bei C1. Sonst wäre hier ein Bipolarelko oder großer
Folienkondensator nötig.
T2 detekiert positive und T1 negative Spannungen am
Eingang. Unterhalb von 0,4 V passiert nichts, oberhalb von
0,8 V schaltet er voll durch. Diese Schwellen sind
temperaturabhängig. Diese Werte hier gelten für 5...70°C.
Die Schwelle lässt sich mit R2 auch anheben, R1=R2
verdoppelt sie. Um die Grenzfrequenz beizubehalten, muss
man R1 oder C1 verdoppeln, mit R1=R2=100k und C1=22uF
ergeben sich 0,145 Hz, bei 20 Hz wird 49 dB gedämpft.
Somit ergeben sich 111 V, was über 1500 W an 8 Ohm
entsprechen. Die Reaktionszeit beträgt bei 50 V 25...35
ms.
Wird eine Gleichspannung erkannt, leitet T1 oder T2 und
sperrt somit T3, was das Einschalten des Relais verhindert
oder dieses abschaltet.
Will man diese Schaltung an einer Brückenendstufe nutzen,
also ist der negative Lautsprecheranschluss nicht an
Masse, dann muss man vom Anschluss LS- alles genauso
aufbauen und die Schaltung an D6 anschließen, was diese
Reaktion verODERt. Man könnte auch mehrere Kanäle einzeln
überwachen und alles mit einem Relais abschalten.
R6 und C2 dienen der Einschaltverzögerung, D4 erhöht die
Schwelle, mit R6=R7=R8=100 kOhm, D4=2x1N4148, C2=100uF
ergeben sich abhängig von der Betriebsspannung mehr als 2
Sekunden Delay. Das Relais sollte ein 12V- oder 24V-Typ
sein. für jeden Ausgang braucht man einen Schließer. Die
Schaltung funktioniert je nach Relais im Bereich 9...25
Volt. Bei hohen Leistungen muss der Relaiskontakt viel
Strom verkraften können: Bei 600W an 8 Ohm fließen 8,7 A,
bei 1500 W an 4 Ohm sogar fast 20 A! Nicht die
Spannungsfestigkeit am Schaltkontakt unterschätzen, 250 V
sollten es hier immer mindestens sein. Das ist aber in der
Regel die AC-Angabe, siehe unten.
Bauteile:
C1: 22...47 uF / 16 V MLCC
C2: 100 uF / 35 V, Elko
C3: 100 nF - 1 uF / 25 V (je nach Stromversorgung)
D1, D2: ZD 4,3 V
D3, (D6): 1N4148
D4: BAV99 oder zwei 1N4148 in Reihe
D5: S1D oder 1N400x
R1: 100 kOhm, 1/4 W
R2: nicht bestückt (siehe Text oben) oder 100 kOhm / 1/4 W
R3: 1 kOhm
R4: 10 kOhm
R5: 3,3 kOhm / 1/4W
R6 - R8: 100 kOhm
Rel: Relais 12 V, 16 A / 250 V NO
T1, T2: BC817C (Hier funktionieren alle
Standard-NPN-Transistoren mit mind. 45 V, 100 mA und
hfe>40.)
T3: BCP56-16 (Hier sollte der Transistor dauerhaft den
Relaisstrom führen können und Reserve gegen Überspannung
vorhanden sein. hfe auch mind 40)
Lautsprecher-Gleichspannungsschutz (DC-Protection) die
Zweite
Hier ließ ich mich auch von der ELV-Lösung aus Heft 02/1995 inspirieren. Das steht nicht nur daheim im Regal, es ist auch frei online verfügbar.
Leider ist die ELV-Lösung nur für kleine Verstärker
geeignet. Ein 5-A-Relais und zu wenig Spannungsfestigkeit
(16-Volt-Elkos) reichen für mich bei weitem nicht. (40 W
an 4 Ohm), 1000 Watt an 4 oder 8 Ohm heißen 15,8 A bzw.
89,5 V AC.
Schaltungsbeschreibung:
R1, R2, C1, C2 stellen den Tiefpass zur Filterung der
DC-Signale dar. Die Grenzfrequenz liegt bei etwa 0,2 Hz.
Nur Gleichspannungen werden gefiltert und gleichgerichtet.
Ist die Spannung groß genug (>2...2,5V) wird T1
angesteuert und erlaubt einen Stromfluss durch die LED im
Optokoppler. Fließt (je nach Transistor T3 und R6) ein
ausreichend großer Strom über den Emitter begrenzt T2 den
Strom durch den Optokoppler. Somit wird auch bei sehr
großer Gleichspannung der Optokoppler nicht zerstört und
die Verlustleistung in T3 begrenzt. (P < 0,5 Watt bei
Udc=120V) R3, R4 und D, D4 erzeugen eine Gleichspannung
zum Betrieb des Optokopplers.
Wird der Optokoppler durch einen Gleichspannungsfehler
angesteuert, dann wird T4 leitend und aktiviert den
bistabilen Multivibrator, der mit den Widerständen R11,
R13 und den Kerkos C4, C5 eine etwa 2-Hz-Blinkfrequenz an
der Leuchtdiode D5 erzeugt und über T4 der
Schalttransistor T3 deaktiviert, wodurch das Relais
abfällt und den Lautsprecher von der Endstufe trennt. Mit
dem Schalter kann man das Relais ein- und ausschalten,
wenn kein DC-Fehler vorliegt. Mit R15, R7, R8 und C3 wird
eine Einschaltverzögerung erreicht. Mit D8 leuchtet die
LED dauerhaft, wenn das Relais angesteuert wird.
Stückliste:
BR1: (Brückengleichrichter >=250V, >=1A)
C1, C2: 100 uF
C3: 47 uF / 25V
C4, C5: 10uF MLCC, 25V
D3, D4: 1N4006
D5: LED 5mm im Schalter
D6: S1D
OC1: PC81411 (Optokoppler)
R1, R2: 22 kOhm
R3, R4: 47 Ohm
R5: 100 kOhm
R6: 150 Ohm für 3,5 mA
R7, R8: 47 kOhm
R9, R10: 10 kOhm
R11: 33 kOhm
R13: 47 kOhm
R12, R14: 1 kOhm
R15:100 kOhm
T1: (Hochvolt NPN hfe>40, je nach Strom Pmax > 3W)
T2: BC546
T3: BCP56
T4: BC807
T5, T6, T7, T8: BC817
Der Grund, warum ich diese Version nicht umsetzte, war
der Mangel an bezahlbaren Relais, die mehr als 80V bei 20
A DC(!) abschalten können. Viele, wie z.B. das Zettler
AZDC110 wurden abgekündigt. Damit das Relais auch schnell
abfallen kann, empfehle ich anders als oben dargestellt
keine Freilaufdiode parallel zur Wicklung. Dafür baut man
einen parallelen Widerstand ein, der den Strom schneller
abbaut. Eine zusätzliche Z-Diode (z.B. ZD 36 V) parallel
zu T3 schützt den Transistor dann trotzdem gegen
Überspannung.
Lautsprecher-Gleichspannungsschutz (DC-Protection) die
Dritte
Trotz des niederohmigen FETs mit 15 mOhm entstehen
bei15,8 A schon 3,75 Watt Verlustleistung pro FET. Damit
wird bei Ausgangs-Maximalleistung von 1000 W an 4 Ohm ein
Kühlkörper benötigt. Erst bei Leistungen von < 540 W an
8 Ohm oder <270 W an 4 Ohm kann man bei maximal 1 Watt
pro FET auf einen Kühlkörper verzichten. Dann schafft das
das große FET-Gehäuse selbst nicht zu heiß zu werden.
Die beiden Widerstände an den Gates (R18, R19) dienen
vorbeugend, um Gate-Ringing zu vermeiden, hier passen
Werte von 10 ... 47 Ohm. R21 schaltet die FETs dann bei
inaktiver Ansteuerung aus. D10 und D11 begrenzen die
Gate-Source-Spannung. Die beiden Dioden D12 und D13 sind
zwei bidirektionale Suppressordioden (SMCJ75CA), die zum
Schutz die Spannung an den FETs (UDS) auf etwa 200 V
begrenzen.
Hier die einfachere Version, die direkt schaltet, aber
dafür einen Hochvolt-PNP (>200V) braucht: (Im Falle von
-100 V am Lautsprecherausgang werden beide Sources durch
die T8-Bulkdiode auf fast - 100 V gezogen, das muss T10
und D9 vertragen. Auch arbeitet diese Schaltung nicht bei
allen Endstufenkonstellationen (galvanisch getrennte
Spannungsversorgung) korrekt. Der Widerstand R17 muss nur
kurzzeitig im Fehlerfall eine höhere Verlustleistung
verkraften. Die Widerstände R17 und R21 hängen aber stark
von den verwendeten FETs ab, ich nahm zwei 250V-Bolliden
im TO-247-Gehäuse.

D9: S1G
D10, D11: ZD 18 V
D12, D13: SMCJ75 CA
T10: PNP mit mindestens 300 V
R17: 3 kOhm 0,5 W
R18, R20: 10 Ohm
R21: 20 kOhm
T8, T9: IRFP4768
Hier wäre die Version mit DC-DC-Wandler: Mit diesem
könnte man dann auch den LS-Plus schalten. Abhängig vom
IC1-Typ oder dem benutzen DC-DC-Modul muss man schauen, ob
noch Kapazitäten am Ein- oder Ausgang benötigt werden.
Eine Z-Diode parallel zu T3 kann auch nicht schaden.

weitere Schaltungen unter:
Weitere Vorschläge für "kleine" Schaltungen?
Daran denken: Keine Urheberrechtsverletzungen!
Für alle Schaltungen und Texte gilt:
Ich übernehme keine Garantie für die Funktionen, auch
hafte ich nicht für evtl. auftretene Schäden.